< 返回

首页/台雄品牌/电伴热防冻型应急喷淋洗眼器

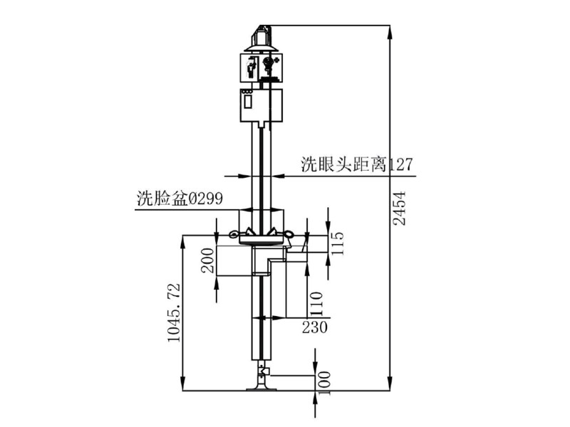
产品名称:电伴热防冻型应急喷淋洗眼器

SAN-7601H
· 智能电伴热防冻,保持管道水温15-30℃
· 主体:304不锈钢
· 洗眼盘:304不锈钢
· 洗眼喷头:优质铜材

在线咨询

Copyright © 2025 台雄 版权所有 All Rrghts Reserved. 沪ICP备20008505号 技术支持:兆量网络营销推广 网站地图

400 638 0616

微信扫一扫咨询